SIVUOTEISKIJÄT

 

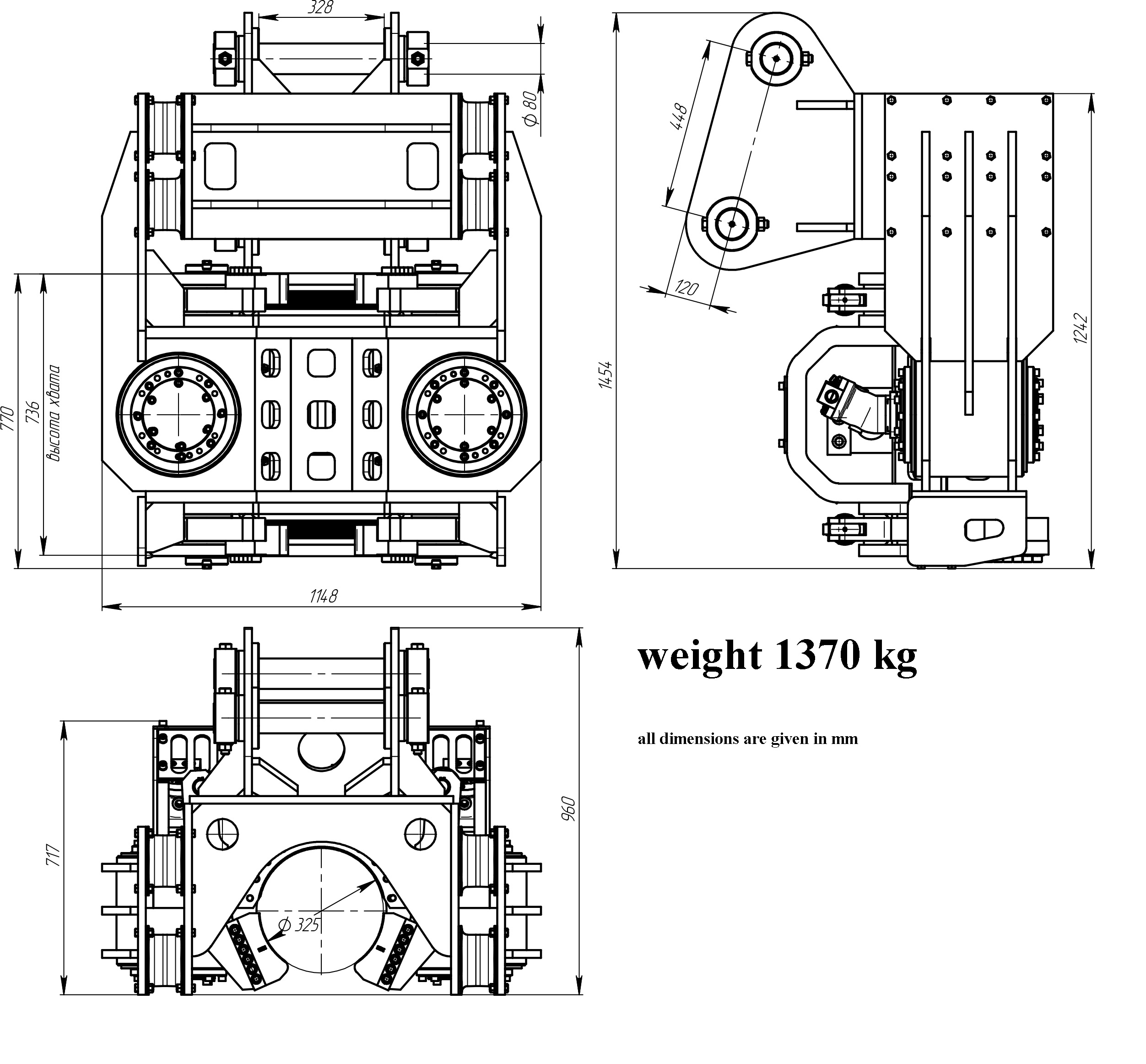
FR 202 on uuden sukupolven pontiniskijä. Tämä ponttivasara kiinnittyy putken keskiosaan sivuotteella. Keskiosaiskijä on Finarosin kehittämä ja patentoitu ponttivasara. FR 202 iskijällä upotetaan ja vededään ylos putket halkaisijalta 325 mm asti. Halpa hinta, teho ja kestävä rakenne erottavat tämän pontiniskijän muiden jokosta.
Samalla periatteella toimivat isommatkin sivuoteiskijät: FR 402, FR 602 ja FR 802.

TEKNISET TIEDOT:

Epäkeskomomentti (kgm) 4,02
Paine (bar) 250
Keskipakoisvoima (kN) 200
Taajuus (rpm) 2130
Öljyn virtaus (l/min) 120
Paino (kg) 1355

Scroll to Top